HVAC System Diagram Guide: Planning and Troubleshooting Essentials

HVAC System Diagram Guide: Planning and Troubleshooting Essentials

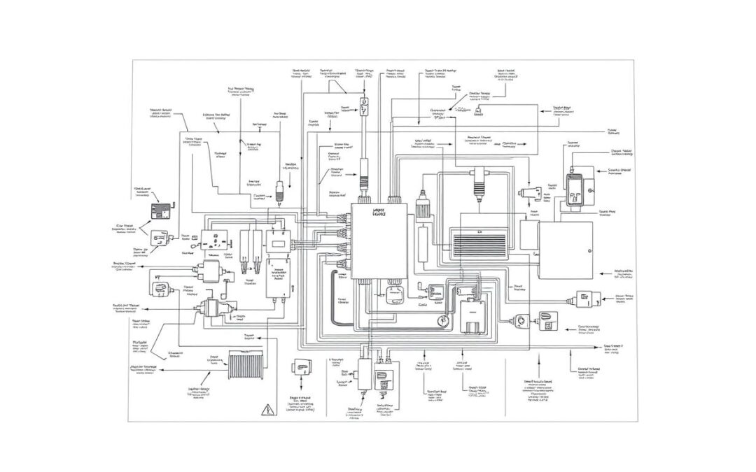
Imagine sitting with your morning coffee, trying to untangle the complexities of your HVAC setup. It’s no secret that heating, cooling, and ventilation systems can feel overwhelming, especially when issues arise. That’s where a clear architecture diagram comes in—it’s...
HVAC Walk-In Freezer Guide: Design and Efficiency Tips

HVAC Walk-In Freezer Guide: Design and Efficiency Tips

Keeping your food safe and fresh is a top priority for any business. A well-designed walk-in cooler or freezer is essential for maintaining the right temperature and ensuring your products stay in perfect condition. The FDA requires food to be stored below 40°F (4°C)...
Water Cooled Condenser Guide for HVAC: Design & Maintenance

Water Cooled Condenser Guide for HVAC: Design & Maintenance

Are you struggling to keep your HVAC system efficient and reliable? Water-cooled condensers might be the solution you’re looking for. These systems are known for their energy efficiency and ability to handle high-capacity cooling needs, making them a popular choice in...